loading
| штат: | |
|---|---|
Серия IRG/ISW
Yinjia
Модель:IRG/ISW YINJIA Pump является профессиональным производителем насосов для поверхностной чистой воды в Китае с 1990 года, специализирующимся на производстве различных насосов для поверхностной чистой воды, включая электрические насосы большой производительности. Наши одноступенчатые вертикальные/горизонтальные центробежные трубопроводные насосы серии IRG/ISW предназначены для различных применений, таких как повышение давления бытовой воды, системы циркуляции горячей и холодной воды, а также промышленное водоснабжение. Мы также поставляем высококачественные электрические центробежные насосы на мировой рынок, стремясь поставлять надежную продукцию по конкурентоспособным ценам с превосходным обслуживанием. Добро пожаловать, чтобы узнать о наших электрических насосах с большим расходом и других решениях!
В одноступенчатом вертикально-горизонтальном центробежном трубопроводном насосе серии IRG/ISW используются передовые производственные процессы, такие как штамповка листового металла, гидроформовка и сварка. Будучи новаторским центробежным насосом нового поколения в Китае, он заменяет традиционные насосы Is и традиционные коррозионностойкие насосы.
Давление в системе: Максимальное давление в системе составляет 1,6 МПа. Это означает, что давление на входе насоса + напор насоса не должны превышать 16 МПа. (Пожалуйста, укажите рабочее давление системы при заказе. Если рабочее давление системы насоса превышает 1,6 Па, это должно быть указано отдельно во время заказа. Это позволяет использовать чугунные материалы для смачиваемых частей и соединительных деталей насоса во время производства.);
Подходящая среда: содержание твердых нерастворимых частиц ≤ 0,1% по объему. Размер частиц s0,2 мм. (Если среда содержит мелкие абразивные частицы, необходимо использовать износостойкое механическое уплотнение. Укажите это требование при заказе.);
Условия окружающей среды: температура окружающей среды 40°C, относительная влажность ≤95%, высота ≤1000 м над уровнем моря.
-Промышленное давление: системы технологической воды, системы очистки;
ТАБЛИЦА ПАРАМЕТРОВ

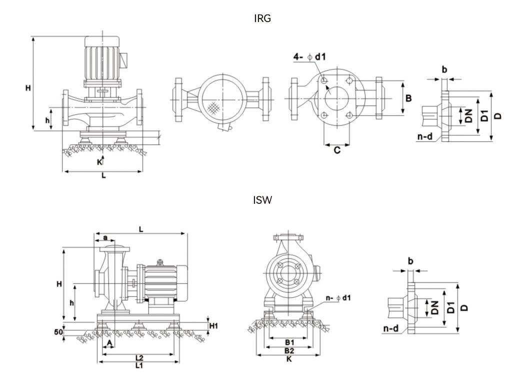
РАЗМЕРЫ
